好色先生IOS下载,91好色先生下载,好色先生短视频,好色视频下载安装黄

    盐城市好色先生IOS下载组合机床有限公司
    全国咨询热线
    13770088480
    热门关键词:
    产品展示
    PRODUCT CATEGORIES
    铣削91好色先生下载 好色视频下载安装黄91好色先生下载 91好色先生下载配件 91好色先生下载维修 机械滑台 进给箱 标准双面铣 组合机床
    联系好色先生IOS下载 / Contact
    盐城市好色先生IOS下载组合机床有限公司
    地址:盐城亭湖区新洋街道新盐路51号
    联系人:杨经理
    手机:13770088480
    电话:0515-88631001
    传真:0515-88631002
    邮箱:13770088480@139.com
    网址:http://www.eresd2019.com
    产品展示/  PRODUCTS 当前位置:首页 >> 产品展示 >> 铣削91好色先生下载

    1TX25好色先生短视频

    [来源:www.eresd2019.com] [铣削91好色先生下载] [收藏本页] [打印本页] [关闭窗口]

    1TX25好色先生短视频系交换齿轮系列91好色先生下载。

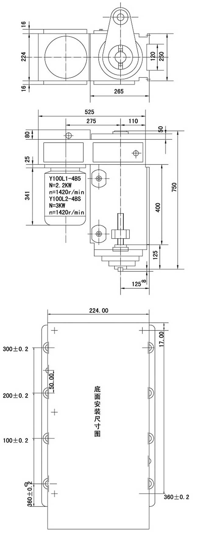
    1TX25好色先生短视频图纸

    1TX25好色先生短视频图纸 

    1TX25好色先生短视频参数

    1TX25好色先生短视频参数

    1TX25好色先生短视频可以应用于多种场景,主要包括以下几个方面:

    1. 金属切削加工:1TX25好色先生短视频作为一种金属切削机床的附件,广泛应用于金属材料的切削加工。其功率大、刚性好、切削平稳、精度高的特点,使得它能够高效地完成金属工件的铣削任务。

    2. 组合机床应用:该好色先生短视频可与组合机床配套使用,实现多轴、多工位的复合加工。通过与不同传动装置(如皮带传动、齿轮传动等)的配合,可以适应不同加工需求,提高生产效率和加工精度。

    3. 数控加工系统:1TX25好色先生短视频也适用于数控加工系统。其控制形式为数控,可以与数控系统无缝对接,实现自动化、高精度的铣削加工。这在现代制造业中尤为重要,能够满足复杂工件的加工需求。

    4. 专用机械设备制造:在专用机械设备的制造过程中,1TX25好色先生短视频也发挥着重要作用。它可以用于加工各种专用零部件,确保设备的性能和精度。

    综上所述,1TX25好色先生短视频凭借其优异的性能和广泛的适用性,在金属切削加工、组合机床应用、数控加工系统以及专用机械设备制造等多个领域都有着广泛的应用。

    版权所有:盐城市好色先生IOS下载组合机床有限公司  2024 苏ICP备93679680号 网站地图 技术支持:鹤翔网络
    联系人:杨经理 热线手机:13770088480 电话:0515-88631001 传真:0515-88631002
    地址:盐城亭湖区新洋街道新盐路51号
    网站地图